Unlock the full potential of your Hyundai Crawler Excavator R140LC-7 with this comprehensive Service, Repair, and Operating Manual. Designed to provide operators and technicians with step-by-step instructions for maintenance, troubleshooting, and repairs, this manual is an essential resource for ensuring your equipment operates at peak efficiency. Whether you’re performing routine service, handling repairs, or mastering the full range of operating features, this guide offers invaluable insights for the longevity and performance of your Hyundai excavator.
Key Features:
- Detailed repair and service procedures for the Hyundai R140LC-7 Crawler Excavator.
- In-depth operating instructions to help you maximize machine performance.
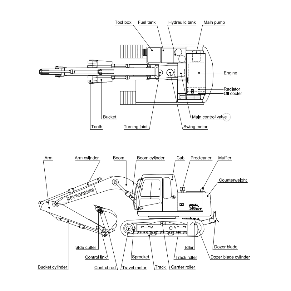
- Clear illustrations and diagrams for easy understanding of complex systems.
- Essential troubleshooting tips to resolve common issues efficiently.
- Complete maintenance schedules to keep your equipment in optimal condition.
- Designed for both professional technicians and owners to streamline repairs and upkeep.
Format: Interactive HTML
Delivery:
Operating Manual Content:
| Section | Group |
|---|---|
| SECTION 1 – SAFETY HINT | Group 1: Before operating the machine |
| Group 2: During operating the machine | |
| Group 3: During maintenance | |
| Group 4: Parking | |
| SECTION 2 – SPECIFICATIONS | Group 1: Major components |
| Group 2: Specifications | |
| Group 3: Working range | |
| Group 4: Weight | |
| Group 5: Lifting capacities | |
| Group 6: Bucket selection guide | |
| Group 7: Undercarriage | |
| Group 8: Specification for major components | |
| Group 9: Recommended oils | |
| SECTION 3 – CONTROL DEVICE | Group 1: Cab device |
| Group 2: Cluster | |
| Group 3: Switches | |
| Group 4: Levers and pedals | |
| Group 5: Air conditioner and heater | |
| Group 6: Others | |
| SECTION 4 – OPERATION | Group 1: Suggestion for new machine |
| Group 2: Check before starting the engine | |
| Group 3: Starting and stop the engine | |
| Group 4: Mode selection system | |
| Group 5: Operation of the working device | |
| Group 6: Traveling of the machine | |
| Group 7: Efficient working method | |
| Group 8: Operation in the special work sites | |
| Group 9: Normal operation of excavator | |
| Group 10: Attachment lowering Pattern | |
| Group 11: Storage | |
| Group 12: RCV lever operating pattern | |
| Group 13: Switching Hydraulic attachment circuit | |
| SECTION 5 – TRANSPORTATION | Group 1: Preparation for transportation |
| Group 2: Dimension and weight | |
| Group 3: Loading the machine | |
| Group 4: Fixing the machine | |
| Group 5: Loading and unloading by crane | |
| SECTION 6 – MAINTENANCE | Group 1: Instructions |
| Group 2: Tightening torque | |
| Group 3: Specification of fuel, coolant and lubricants | |
| Group 4: Maintenance check list | |
| Group 5: Maintenance chart | |
| Group 6: Service instruction | |
| Group 7: Electrical system | |
| Group 8: Air conditioner and heater | |
| SECTION 7 – TROUBLESHOOTING GUIDE | Group 1: Engine |
| Group 2: Electrical system | |
| Group 3: Others | |
| SECTION 8 – HYDRAULIC BREAKER | Group 1: Selecting hydraulic breaker |
| Group 2: Circuit configuration | |
| Group 3: Maintenance | |
| Group 4: Precaution while operating the breaker | |
| Group 5: Quick clamp | |
| INDEX |
Service Manual Content:
| Section | Group |
|---|---|
| SECTION 1 – GENERAL | Group 1: Safety Hints |
| Group 2: Specifications | |
| SECTION 2 – STRUCTURE | Group 1: Pump Device |
| Group 2: Main Control Valve | |
| Group 3: Swing Device | |
| Group 4: Travel Device | |
| Group 5: RCV Lever | |
| Group 6: RCV Pedal | |
| SECTION 3 – HYDRAULIC SYSTEM | Group 1: Hydraulic Circuit |
| Group 2: Main Circuit | |
| Group 3: Pilot Circuit | |
| Group 4: Single Operation | |
| Group 5: Combined Operation | |
| SECTION 4 – ELECTRICAL SYSTEM | Group 1: Component Location |
| Group 2: Electrical Circuit | |
| Group 3: Electrical Component Specification | |
| Group 4: Connectors | |
| SECTION 5 – MECHATROMICS SYSTEM | Group 1: Outline |
| Group 2: Mode Selection System | |
| Group 3: Automatic Deceleration System | |
| Group 4: Power Boost System | |
| Group 5: Travel Speed Control System | |
| Group 6: Automatic Warming Up Function | |
| Group 7: Engine Overheat Prevention Function | |
| Group 8: Anti-Restart System | |
| Group 9: Self-Diagnostic System | |
| Group 10: Engine Control System | |
| Group 11: EPPR (Electro Proportional Pressure Reducing) Valve | |
| Group 12: Prolix Switch | |
| Group 13: Monitoring System | |
| SECTION 6 – TROUBLESHOOTING | Group 1: Before Troubleshooting |
| Group 2: Hydraulic and Mechanical System | |
| Group 3: Electrical System | |
| Group 4: Mechatronics System | |
| SECTION 7 – MAINTENANCE STANDARD | Group 1: Operational Performance Test |
| Group 2: Major Components | |
| Group 3: Track and Work Equipment | |
| SECTION 8 – DISASSEMBLY AND ASSEMBLY | Group 1: Precaution |
| Group 2: Tightening Torque | |
| Group 3: Pump Device | |
| Group 4: Main Control Valve | |
| Group 5: Swing Device | |
| Group 6: Travel Device | |
| Group 7: RCV Lever | |
| Group 8: Turning Joint | |
| Group 9: Boom, Arm and Bucket Cylinder | |
| Group 10: Undercarriage | |
| Group 11: Work Equipment | |
| SECTION 9 – COMPONENT MOUNTING TORQUE | Group 1: Introduction Guide |
| Group 2: Engine System | |
| Group 3: Electric System | |
| Group 4: Hydraulic System | |
| Group 5: Undercarriage | |
| Group 6: Structure | |
| Group 7: Work Equipment |






Abrites AVDI J2534
Actia Multi-Diag
Autoland iSCAN
Bobcat Diagnostic Kit
BMW ENET
Bosch Mastertech II J2534
Bosch MTS 6531
CAN CLIP RLT2002
CarDAQ-Plus 3
Cummins INLINE Datalink
Dearborn Protocol Adapter (DPA) 5
Delphi/Autocom DS150E
DrewLinQ
Volvo VIDA DiCE
Derelek USB DIAG 3
Electronic Data Link (EDL) 2
Electronic Data Link (EDL) 3
GM MDI 1
GM MDI 2
HEX-V2 VCDS VAG-COM
Isuzu IDSS IDS MX1
Isuzu IDSS IDS MX2
Iveco Eltrac E.A.SY. ECI
MaxiFlash Elite J2534
MB Star C6
Mongoose J2534
Nexiq USB-Link 1
Nexiq USB-Link 2
Nexiq USB-Link 3
Noregon DLA+ 2.0
Porsche PIWIS TESTER 3 (PT3G)
PSA LEXIA 3
SAE J2434
Scania VCI 3
Scanmatik 2 PRO
SD Connect Multiplexer
Tactrix OpenPort 2.0
Toyota TIS Mini VCI
VAG ODIS VAS5054 Clone
VAG ODIS VAS6154 Clone
Volvo VOCOM 1
Volvo VOCOM 2
Xentry VCI
Yanmar Diagnostic Interface Box (IFBOX)

Reviews
Clear filtersThere are no reviews yet.